Описание

Гарантия 24 месяца

Область применения:

Дренажно-фекальные электронасосы V_CF предназначены для отвода загрязненной воды из затопляемых помещений (подвалы, гаражи) и земельных участков, котлованов, а также для перекачки стоков из выгребных ям, канализационных колодцев и септиков, отвода канализационных и промышленных стоков.
Оснащены измельчающим механизмом, препятствующим засорению насосной камеры и заклиниванию рабочего колеса загрязнениями, размер которых превышает максимально допустимый размер перекачиваемых частиц.

V1300СF (пульт)

Артикул: 5035NP11
NPO
11311 грн
Основные характеристики:
Напор: 20
Мощность: 1400
Питание: 220В 1F
Отзывы покупателей
Графические характеристики
Напор, H (м)
Объемная подача, Q

1. V1300CF

2. V1800CF

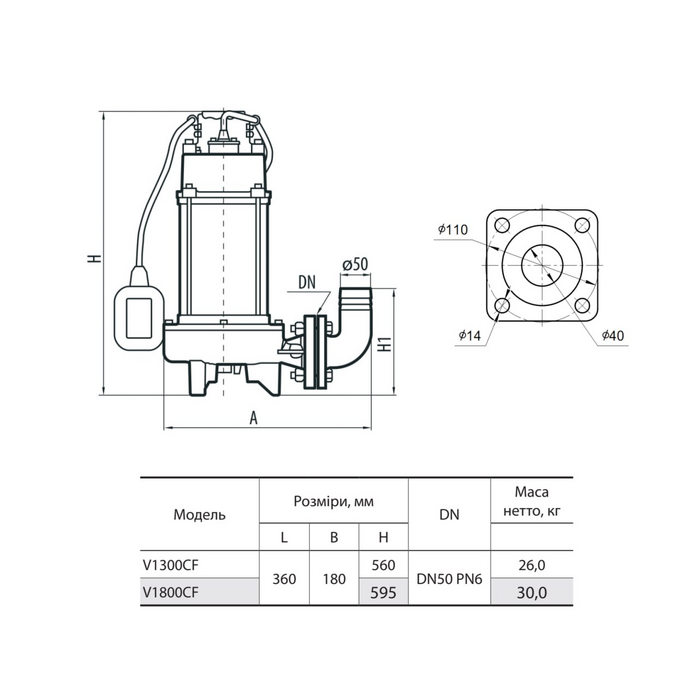
Сводная таблица характеристик
Модель Потребляемая
мощность
(P1), Вт
Максимальная
объемная подача,
Qmax
Объемная подача, Q
м3 0 2,5 5 7,5 10 12,5 15 17,5 20
м3 л/мин л/мин 0 42 83 125 167 208 250 292 333
V1300CF 1400 20 333 Напор,
м
20 18,2 16,5 14,5 12 9,8 7,2 4,5
V1800CF 1950 21 350 24 22 20 17,8 15,5 13,2 10,5 7,5 4,5

Ограничения:

  • Перекачиваемая жидкость: загрязненная вода или другая жидкость, схожая с водой по плотности и химической активности.
  • Показатель рН 4-10.
  • Максимальная температура перекачиваемой жидкости +40 °С.
  • Содержание механических примесей не более 5 кг/м3.
  • Максимальный размер частиц не более 10 мм.
  • Минимальный уровень осушения 450 мм.
  • Минимальный диаметр колодца 600 мм

Конструктивные особенности:

  • Моноблочные вертикальные погружные
  • Корпус электронасоса выполнен из чугуна и нержавеющей стали.
  • Насосная камера выполнена из чугуна.
  • Измельчающий механизм выполнен из нержавеющей стали 440С высокой твердости.
  • Колесо рабочее – центробежное, полузакрытого типа, выполнено из чугуна.
  • Вал из нержавеющей стали AISI 304
  • Уплотнение торцевое – карбид кремния/карбид кремния/NBR/AISI 304
  • Уплотнение торцевое установлено в масляной камере.
  • Для защиты двигателя дополнительно установлена ​​специальная манжета.
  • Укомплектован пультом управления со встроенным реле тока без самовозврата
  • Укомплектован поплавковым выключателем
  • Укомплектован угловым переходником «фланец-шланг»
  • Укомплектован кабелем питания 10м.

Двигатель:

  • Асинхронный двухполюсный с короткозамкнутым ротором
  • Охлаждение двигателя жидкостью, в которую погружен
  • Степень защиты IPX8
  • Класс нагревостойкости изоляции B
  • Однофазное исполнение с установленным в корпус электронасоса конденсатором
  • Встроенная в обмотку двигателя защита от перегрузок с автоматическим перезапуском
  • Напряжение питания: 220 В, 50 Гц
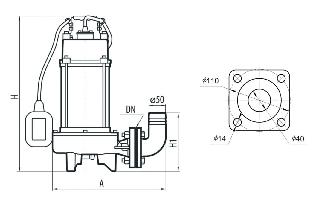
Габаритные размеры